步進電機驅動器其主要功能是將脈沖信號轉換為步進電機的轉動動力。在工業自動化以及其他需要精確運動控制的領域,步進電機驅動器憑借其卓越的控制性能,于精準掌控步進電機的速度、步距與步數等方面發揮著不可替代的關鍵作用。
一、工作機制
當控制器捕捉到脈沖信號的瞬間,便依據預設的頻率規則,觸發相應電平狀態的改變。此電平的變動在電路板上經過一系列精密的轉換流程,最終演變為專門用于驅動步進電機運轉的指令信號,從而實現了對電機運動軌跡的高精度調控。

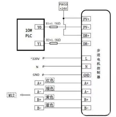
步進電機接線圖




步進電機接線圖



二、步進電機驅動器工作流程步驟
控制器接收脈沖信號 :控制器在接收到外部輸入的脈沖信號后,會依據預先設定的頻率參數,生成對應的電平變化模式。
脈沖信號轉換 :所產生的電平變化經由電路板上復雜而精密的電路處理,進而轉換為能夠精準支配電機轉動的控制信號。
控制電機轉動 :步進電機驅動器在接收到這些經過轉換的信號后,會對其所包含的方向、步數以及速度等特征信息進行深入解析,并依據這些信息精準地操控步進電機的運動狀態。這使得步進電機能夠依據實際應用場景的要求,實現高精度的運動控制,滿足工業生產線上對產品加工精度、裝配精度以及自動化流程的嚴格把控等諸多需求。
步進電機驅動器以其結構設計簡潔、運行穩定可靠以及控制操作簡便等諸多優勢,在工業自動化領域中占據了舉足輕重的地位,為各類自動化設備的高效運行提供了堅實的動力支持與精準的運動控制保障。
三、步進電機驅動器接線方法
將步進電機驅動器的脈沖輸入信號和方向輸入信號的正極分別與表控設備上的 5V 端子相連。
把脈沖輸入信號的負端精準對應地連接到表控設備的 Y1 輸出端子上。
將方向輸入信號的負端準確無誤地接入表控設備的 Y2 輸出端子。
四、步進電機驅動器設置要點
細分設置:在實際應用過程中,通常可將步進電機驅動器的細分參數初步設定在 8(對應 1600)左右,隨后依據具體的生產加工精度要求以及其他相關實際運行狀況進行細致入微的微調,以達到最佳的運行精度與運動平穩性效果。
正轉設置:僅需通過一行簡潔的設置指令,即可快速便捷地完成步進電機的正轉設置工作,其中 X1 端子被指定為正轉啟動開關,操作人員在啟動正轉操作時只需輕觸該開關,步進電機便能按照預設的正轉模式穩定運轉。
反轉設置:針對步進電機的反轉需求,需進行相對復雜的兩行設置操作。具體而言,應將 X2 設定為反向啟動開關,與此同時,Y1 端子負責輸出脈沖信號,Y2 端子則承擔起輸出方向信號的職責,在操作人員啟動反轉指令時,各端子協同工作,確保步進電機能夠精準無誤地執行反轉動作,滿足工業生產流程中多樣化的產品加工工藝要求。
〈烜芯微/XXW〉專業制造二極管,三極管,MOS管,橋堆等,20年,工廠直銷省20%,上萬家電路電器生產企業選用,專業的工程師幫您穩定好每一批產品,如果您有遇到什么需要幫助解決的,可以直接聯系下方的聯系號碼或加QQ/微信,由我們的銷售經理給您精準的報價以及產品介紹
聯系號碼:18923864027(同微信)
QQ:709211280

